


When you need an engine that can perform consistently on the job site, the farm, or virtually anywhere else, the GXV660 delivers solid performance, efficiency and adaptability.



When you need an engine that can perform consistently on the job site, the farm, or virtually anywhere else, the GXV660 delivers solid performance, efficiency and adaptability.
Honda V-Twin engines offer horsepower, adaptability, quiet operation, and fuel efficiency. Not to mention a 3-year warranty.
Features
Specifications
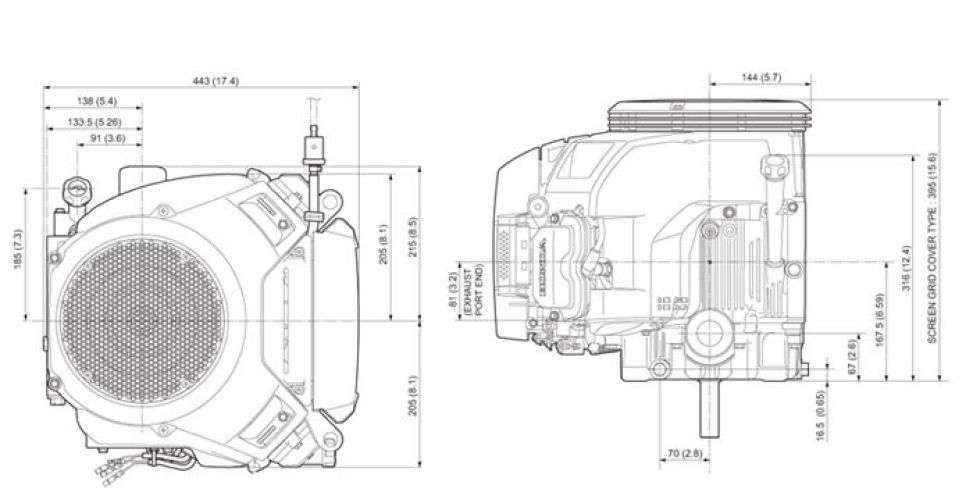
Dimension Diagram
Performance Curve
Download the Owner's Manual to find more detailed information about this engine.
Keeping your Honda healthy is an
imperative part of maintaining the
quality, reliability and performance of
your engine.
Download the features and specifications sheet for this engine.
Honda has a long history of groundbreaking innovation. Discover the Honda difference.



From tractors and small vehicles to garden equipment and more – the GXV630 delivers a solid performance and impressive fuel efficiency for virtually whatever your needs may be.

V-twin engines give you high performance and great fuel efficiency. And the GXV690 is the most powerful one of all.