


Make light work of hard tasks, while still getting cleaner, more efficient performance for a wide range of equipment.



Make light work of hard tasks, while still getting cleaner, more efficient performance for a wide range of equipment.
Honda applied our engine technology to create the world’s first 360° inclinable 4-Stroke engines. The ultra-lightweight GX35 Mini 4-Stroke delivers efficient, clean, powerful and quiet performance that you’d expect from a larger engine but, in a very compact package.
Features
Specifications
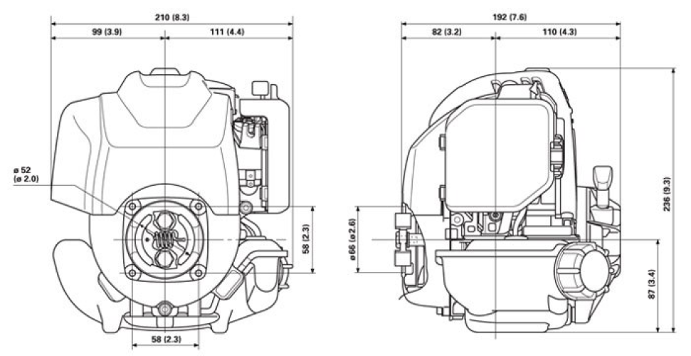
Dimension Diagram
Performance Curve
Download the Owner's Manual to find more detailed information about this engine.
Keeping your Honda healthy is an imperative part of maint aining the quality, reliability and performance of your engine.
Download the features and specifications sheet for this engine.
Honda has a long history of groundbreaking innovation. Discover the Honda difference.


.png?rev=975d680c8552435d93d315482bd3efaa)
Ultra lightweight, but with all of the power and performance you’d expect in a larger engine.

Professionals trust the GX50 to deliver a solid performance across an impressive range of applications from commercial gardening to construction and agriculture.